6311 N

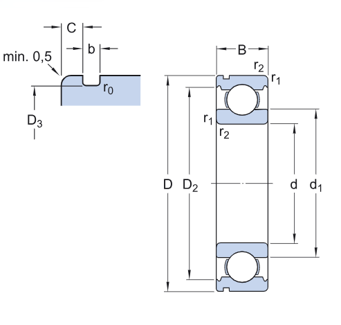
Deep groove ball bearing with snap ring groove

Single row deep groove ball bearings with a snap ring groove are particularly versatile, have low friction and are optimized for low noise and low vibration, which enables high rotational speeds.

They accommodate radial and axial loads in both directions, are easy to mount, and require less maintenance than many other bearing types. An annular groove in the outer ring enables the bearings to retain a snap ring.

  • Can accommodate a snap ring
  • Simple, versatile and robust design
  • Low friction and high-speed capability
  • Accommodate radial and axial loads in both directions
  • Require little maintenance

Dimensions

d
55 mm
Bore diameter
D
120 mm
Outside diameter
B
29 mm
Width
d1
75.34 mm
Shoulder diameter
D2
103.7 mm
Recess diameter
D3
115.21 mm
Diameter of snap ring groove
D4
129.7 mm
Outside diameter of snap ring
b
3.1 mm
Width of snap ring groove
C
4.06 mm
Distance from outer ring side face to snap ring groove
r0
max.0.6 mm
Bottom radius of snap ring groove
r1,2
min.2 mm
Chamfer dimension
Abutment dimensions - 6311 N

Abutment dimensions

da
min.66 mm
Diameter of shaft abutment
Da
max.109 mm
Diameter of housing abutment
Db
min.131 mm
Diameter of snap ring recess in the housing
ba
min.3.5 mm
Width of snap ring recess in the housing
Ca
max.6.88 mm
Distance from outer ring side face to snap ring back face
ra
max.2 mm
Radius of shaft or housing fillet

Calculation data

SKF performance class
SKF Explorer
Basic dynamic load rating C
74.1 kN
Basic static load rating C0
45 kN
Fatigue load limit Pu
1.9 kN
Reference speed
12 000 r/min
Limiting speed
8 000 r/min
Minimum load factor kr
0.03
Calculation factor f0
13

Tolerance class

Dimensional tolerances
P6
Radial run-out
Normal

Description

Properties

Filling slots Without
Number of rows 1
Locating feature, bearing outer ring Snap ring groove
Bore type Cylindrical
Cage Sheet metal
Matched arrangement No
Radial internal clearance CN
Material, bearing Bearing steel
Coating Without
Sealing Without
Lubricant None
Relubrication feature Without

Logistics

Product net weight 1.32 kg
eClass code 23-05-08-01
UNSPSC code 31171504

(55X120X29) (6311N)

Additional information

Weight 1.3222 kg
Size (mm)

Colour

You may also like…