314-ZNR
Deep groove ball bearing with filling slots and integral sealing
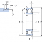
Single row deep groove ball bearings with filling slots, a snap ring, and shields on one or both sides, accommodate more balls than standard deep groove ball bearings.
They are of a simple, yet versatile, design and are robust in operation, requiring little maintenance. They can accommodate radial and axial loads in both directions. They have a higher radial load carrying capacity than the corresponding bearings without filling slots but have a limited axial load carrying capacity due to the filling slots. The snap ring, fitted in an annular groove in the outer ring, facilitates axial location of the bearings within their housings. The integral sealing can significantly prolong bearing service life because it keeps lubricant in the bearings and contaminants out.
- Snap ring facilitates axial location within housing
- Integral sealing prolongs bearing service life
- Simple, versatile and robust design
- Accommodate higher radial loads than corresponding bearings without filling slots, with limited axial loads in both directions
- Require little maintenance
Dimensions
| d |
70 mm
|
Bore diameter |
| D |
150 mm
|
Outside diameter |
| B |
35 mm
|
Width |
| d1 |
≈93.75 mm
|
Shoulder diameter |
| D2 |
≈129.9 mm
|
Recess diameter |
| D3 |
145.24 mm
|
Diameter of snap ring groove |
| D4 |
159.7 mm
|
Outside diameter of snap ring |
| b |
3.1 mm
|
Width of snap ring groove |
| C |
4.9 mm
|
Distance from outer ring side face to snap ring groove |
| f |
2.82 mm
|
Width of snap ring |
| r0 |
max.0.6 mm
|
Bottom radius of snap ring groove |
| r1,2 |
min.2.1 mm
|
Chamfer dimension |
Abutment dimensions
| da |
min.82 mm
|
Diameter of shaft abutment |
| da |
max.93.7 mm
|
Diameter of shaft abutment |
| Da |
max.138 mm
|
Diameter of housing abutment |
| Db |
min.162 mm
|
Diameter of snap ring recess in the housing |
| ba |
min.3.5 mm
|
Width of snap ring recess in the housing |
| Ca |
max.7.72 mm
|
Distance from outer ring side face to snap ring back face |
| ra |
max.2 mm
|
Radius of shaft or housing fillet |
Calculation data
| Basic dynamic load rating |
C |
114 kN
|
| Basic static load rating |
C0 |
102 kN
|
| Fatigue load limit |
Pu |
4.15 kN
|
| Reference speed |
|
8 000 r/min
|
| Limiting speed |
|
5 000 r/min
|
| Minimum load factor |
kr |
0.05
|
Tolerance class
| Dimensional tolerances |
Normal
|
| Radial run-out |
Normal
|