211-Z

Deep groove ball bearing with filling slots and integral sealing

Single row deep groove ball bearings with filling slots and shields on one or both sides, accommodate more balls than standard deep groove ball bearings.

They are of a simple, yet versatile, design and are robust in operation, requiring little maintenance. They can accommodate radial and axial loads in both directions. They have a higher radial load carrying capacity than the corresponding bearings without filling slots but have a limited axial load carrying capacity due to the filling slots. The integral sealing can significantly prolong bearing service life because it keeps lubricant in the bearings and contaminants out.

  • Integral sealing prolongs bearing service life
  • Simple, versatile and robust design
  • Accommodate higher radial loads than corresponding bearings without filling slots, with limited axial loads in both directions
  • Require little maintenance

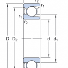
Dimensions

d
55 mm
Bore diameter
D
100 mm
Outside diameter
B
21 mm
Width
d1
69.06 mm
Shoulder diameter
D2
89.4 mm
Recess diameter
r1,2
min.1.5 mm
Chamfer dimension
Abutment dimensions - 211-Z

Abutment dimensions

da
min.64 mm
Diameter of shaft abutment
da
max.68.9 mm
Diameter of shaft abutment
Da
max.91 mm
Diameter of housing abutment
ra
max.1.5 mm
Radius of shaft or housing fillet

Calculation data

Basic dynamic load rating C
48.4 kN
Basic static load rating C0
44 kN
Fatigue load limit Pu
1.86 kN
Reference speed
12 000 r/min
Limiting speed
7 000 r/min
Minimum load factor kr
0.04

Tolerance class

Dimensional tolerances
Normal
Radial run-out
Normal

Description

Properties

Filling slots With
Number of rows 1
Locating feature, bearing outer ring None
Bore type Cylindrical
Cage Sheet metal
Matched arrangement No
Radial internal clearance CN
Material, bearing Bearing steel
Coating Without
Sealing Shield on one side
Sealing type Non-contact
Lubricant None
Relubrication feature Without

Logistics

Product net weight 0.666 kg
eClass code 23-05-08-01
UNSPSC code 31171504

(55X100X21)

Additional information

Weight 0.666 kg
Size (mm)

Colour