1726211-2RS1

Insert bearing, with standard IR, sealed 2RS1

Insert bearings are based on sealed deep groove ball bearings.

These insert bearings are suitable for applications where smooth running is a key operational parameter. It can accommodate heavier axial loads than any other insert bearing. The bearings are sealed on both sides, made of sheet steel reinforced NBR, and are fitted in a recess on the outer ring and ride against the inner ring shoulder to act as contact seals.

  • Smooth running
  • Can accommodate heavy axial loads
  • Sealed on both sides

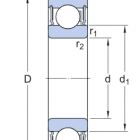
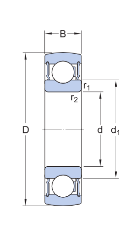
Dimensions

d
55 mm
Bore diameter
D
100 mm
Outside diameter
B
21 mm
Width of inner ring
d1
69.06 mm
Outside diameter of inner ring
r1,2
min.1.5 mm
Chamfer dimension of inner ring

Calculation data

Basic dynamic load rating C
43.6 kN
Basic static load rating C0
29 kN
Fatigue load limit Pu
1.25 kN
Limiting speed
4 300 r/min
Calculation factor f0
14

 

Description

Properties

Retaining feature, inner ring Interference fit
Bore type Cylindrical
Rolling elements Balls
Outer ring type Spherical
Inner ring extension None (standard ring)
Cage Non-metallic
Rubber seating ring Without
Material, bearing Bearing steel
Coating Without
Sealing Seal on both sides
Sealing type Contact, RS1
Lubricant Grease
Relubrication feature Without

(55X100X21)

Additional information

Weight 0.57 kg
Size (mm)

Colour